Ток трансформаторының КТ
Нөлдік реттілік Ct ток трансформаторының пончик түрі
  • Нөлдік реттілік Ct ток трансформаторының пончик түріНөлдік реттілік Ct ток трансформаторының пончик түрі
  • Нөлдік реттілік Ct ток трансформаторының пончик түріНөлдік реттілік Ct ток трансформаторының пончик түрі

Нөлдік реттілік Ct ток трансформаторының пончик түрі

Қатты сапалы нөлдік тізбекті ток трансформаторының пончик түрін шығару үшін Wenzhou XiFa Electric Power Equipment Co., Ltd шикізатты сапалы және бәсекеге қабілетті бағамен қабылдайды. Орау процесінде Wenzhou XiFa оттегісіз мыс эмальданған сымды қабылдайды, ол әрбір нөлдік дәйектілік ct ток трансформаторы үшін электр өткізгіштігі мен механикалық беріктігін қамтамасыз етеді. Сонымен қатар, ядроны өндіру процесінде Вэнчжоу СиФа кішкентай нөлдік тізбекті токқа сезімтал жауапта тамаша өнімділікті сақтау үшін жоғары магниттік өткізгіштік кремний болат парағын пайдаланады.

Нөлдік тізбекті ток трансформаторы нөлдік тізбекті токтарды бақылау үшін энергетикалық жүйелерде қолданылатын негізгі құрылғы арқылы бір айналым болып табылады. Ол негізінен жерге тұйықталуларды, ағып кету токтарын және оқшаулауды бақылау үшін қолданылатын қорғаныс релелік жүйелерінің маңызды құрамдас бөлігі ретінде қызмет етеді. Үш фазалық токтардың векторлық қосындысын және нәтижесінде пайда болатын нөлдік тізбекті токты сезу арқылы нөлдік реттілік ct ток трансформаторы ақаулар туралы ескертулерді қамтамасыз ету және қуатты ажырату үшін төмен токты жерге қосу селекторларымен, сандық гармоникалық басу құрылғыларымен және релелік қорғаныс қондырғыларымен интерфейсті іске қоса алады.

Құрылымдық тұрғыдан алғанда, нөлдік тізбекті ток трансформаторы тороидты ядродан және эпоксидті шайырдың немесе силикон резеңке корпусының ішінде капсулаланған екінші орамнан тұрады, ылғалға төзімділік пен ластанудан жоғары қорғанысты ұсынады. Орнату опцияларына алдын ала өткізілген кабельдер және кабельдерді ажыратпай қайта жаңартуға мүмкіндік беретін бөлінетін өзек конструкцияларын қажет ететін қатты сым кіреді.

Ол әртүрлі бейтарап нүкте конфигурациялары, соның ішінде жерге қосылған және жерленбеген жүйелер үшін қажетті сезімталдық пен сызықтылықты қамтамасыз ететін 50 Гц қуат жүйелерімен үйлесімді. Нөлдік дәйекті CT ток трансформаторлары ақауларды сенімді анықтау және жүйені қорғауды қамтамасыз ету үшін смарт желілерде, теміржол транзитінде, құрылыстың электр жүйелерінде және өнеркәсіптік жабдықты бақылауда кеңінен қолданылады.

Zero Sequence Ct Current Transformer Donut TypeZero Sequence Ct Current Transformer Donut Type

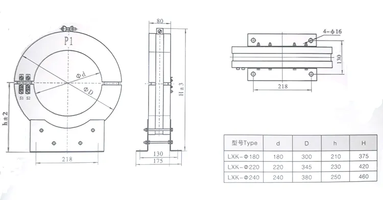
Түр Реле түрі Қосылу әдісі Масштаб мәні Бастапқы ток Түр Реле түрі Қосылу әдісі Масштаб мәні Бастапқы ток
LXK-Φ80 LXK-Φ100 LXK-Φ120 LXK-Φ150 DD11/60 Сериялар 15*1 2.4-4.5 LXK-Φ180 LXK-Φ220 LXK-Φ240 DD11/60 Сериялар 15*1 2.4-4.5
30*1 30*1
Параллель 15*2 3-5 Параллель 15*2 3-5
30*2 30*2
DD1/60 Сериялар 15*1 3-5 DD1/60 Сериялар 15*1 3-5
30*1 30*1
Параллель 15*2 3-6 Параллель 15*2 3-6
30*2 30*2

Zero Sequence Ct Current Transformer Donut Type

Өнім туралы жиі қойылатын сұрақтар:

С: нөлдік ретті ct ток трансформаторы дегеніміз не?

Түйінді типті нөлдік тізбекті КТ ток трансформаторы үш фазалы жүйелерде нөлдік тізбекті токтарды анықтауға арналған негізгі құрылғы болып табылады. Оның тороидальды өзегі негізгі өткізгіштің орталықтан өтуіне мүмкіндік береді, бұл жерге тұйықталуларды, ағып кету токтарын және оқшаулау жағдайларын интрузивті емес бақылауды қамтамасыз етеді.

С: Ток трансформаторының нөлдік реттілігі ct тоқ трансформаторының шығыс сигналы қалай береді?

A: Донут түріндегі нөлдік тізбекті ct ток трансформаторы жоғары дәлдіктегі ораманы және Роговски катушкасының технологиясын қолдана отырып, нөлдік тізбекті токты пропорционалды кернеуге немесе қайталама токқа түрлендіреді. Бұл шығыс релелермен, есептегіштермен және ақауларды жылдам және дәл анықтау үшін бақылау жүйелерімен үйлесімді.

С: нөлдік ретті ct ток трансформаторының типтік қолданбалары қандай?

A: нөлдік ретті ct ток трансформаторы әдетте келесі жағдайларда қолданылады:

1.Жерге тұйықталудан қорғау және ағып кету тогын анықтау;

2.Электр тарату жүйелеріндегі бейтарап нүктелерді бақылау;

3. Сандық қорғаныс релелерімен, гармоникалық басу құрылғыларымен және смарт торды бақылау жүйелерімен интеграция.

4. Өндірістік жабдықтар, құрылыс электр желілері және теміржол транзиттік жүйелері.




Hot Tags: Нөлдік тізбекті КТ ток трансформаторы, тұнба түріндегі CT, жерге тұйықталудан қорғау трансформаторы
Сұрау жіберу
Байланыс ақпараты
  • Мекенжай

    № 391, Цзинци жолы, Янпан өнеркәсіптік аймағы, Юэцин қаласы, Чжэцзян провинциясы, Қытай

  • Электрондық пошта

    info@xifaele.com

Баға ұсыныстарын тез арада алу үшін

XiFa - сіздің сенімді электр жабдықтарын жеткізушіңіз
X
Біз cookie файлдарын сізге жақсырақ шолу тәжірибесін ұсыну, сайт трафигін талдау және мазмұнды жекелендіру үшін пайдаланамыз. Осы сайтты пайдалану арқылы сіз cookie файлдарын пайдалануымызға келісесіз. Құпиялылық саясаты
Қабылдамау Қабылдау