Ток трансформаторының КТ
Шайырлы құйылған электрлік ток трансформаторы
  • Шайырлы құйылған электрлік ток трансформаторыШайырлы құйылған электрлік ток трансформаторы
  • Шайырлы құйылған электрлік ток трансформаторыШайырлы құйылған электрлік ток трансформаторы

Шайырлы құйылған электрлік ток трансформаторы

Wenzhou XiFa Electric Power Equipment Co., Ltd 10 кВ-тан 35 кв-ға дейінгі электр тарату құрылғыларында қолданылатын шайырлы құйылған электрлік ток трансформаторын шығаратын кәсіби өндіріс болып табылады. Вэнчжоу Сифада өндіруші топ вакуумдық ортада эпоксидті шайыр құйып, ток трансформаторының бүйіріндегі көпіршіктерді алып тастап, бетіндегі жартылай разрядты болдырмайды. Сонымен қатар, шайырлы құйылған электрлік ток трансформаторы кернеуге төзімділік пен ұзақ мерзімді тұрақтылық бойынша жақсы өнімділікке қол жеткізу үшін көп қабатты оқшаулау құрылымы ретінде жасалған.

Шайырлы құйылған электрлік ток трансформаторы номиналды жиілігі 50 Гц болатын 10кВ кернеу деңгейіндегі қуат жүйелеріне арналған үй-жай, эпоксидті шайыр, вакуумды құйма, пост типті қондырғы. Ол негізінен токты өлшеу, энергияны өлшеу және қорғаныс релесі үшін қолданылады.

Шайыр құйылған электрлік ток трансформаторы толығымен жабық эпоксидті шайырды құю процесін қабылдайды, оның ядросы жоғары сапалы магниттік материалдан жасалған және негізгі және қайталама катушкалар өзекпен бірге шайырға салынған. Бұл құрылыс оқшаулау, ылғалға төзімділік және ластануға төзімділік бойынша тамаша өнімділікті қамтамасыз етеді. Шайырлы құйылған электрлік ток трансформаторының беті қосымша жабынды қажет етпейді және ток трансформаторын бірнеше позицияда орнатуға болады.

Ауқым 0,2S және 0,5S сияқты өлшеу сыныптарын және 10P10 және 10P20 сияқты қорғау сыныптарын қамтиды. Металл қапталған электр панельдерінде қолдануға қолайлы ету үшін көп қатынасты конструкция шайырлы құйылған электрлік ток трансформаторында қол жетімді.

Resin Cast Electrical Ct Current TransformerResin Cast Electrical Ct Current Transformer

Техникалық сипаттамасы:

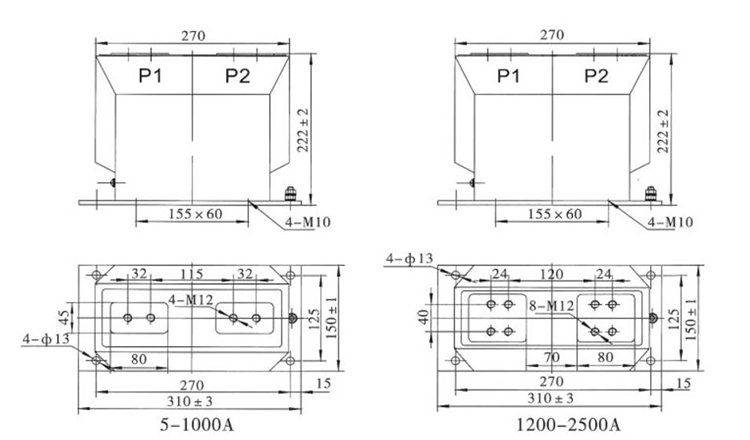
Түр Негізгі номиналды ток (A) Дәлдік класы Дәлдік класы және номиналды шығыс cosΦ=0,8 Қысқа уақыт термиялық ток (kA/S) Номиналды динамикалық ток (кА)
0,2 (сек) 0,5 (сек) 10P10 10P15 10P20
LZZBJ9-10 5-150 0,2с/0,5 0,2с/10Р 0,2/10П 0,5с/10П 0,5/10П 10 10 15 15 10 100I1n 250I1n
200-300 31.5 80
400-500 45 112
600-1000 63 130
1200-1500 80 160
2000-2500 100 180

Resin Cast Electrical Ct Current Transformer

Өнім туралы жиі қойылатын сұрақтар:

С: Шайырлы құйылған электрлік ток трансформаторын таңдағанда қандай техникалық параметрлерді тексеру керек?

A: таңдау кезінде келесі негізгі параметрлерді тексеру қажет:

1.Дәлдік класы: Өлшеу/өлшеу (мысалы, 0,2с немесе 0,5) және қорғау мақсаттары үшін (мысалы, 10P10, 5P10 және т.б.).

2. Номиналды бастапқы ток және қайталама ток (трансформация коэффициенті).

3.Қысқа мерзімді жылу тогы (Ith) және қысқа мерзімді токқа төзімділік (ақаулық жағдайлар үшін).

4.Оқшаулау деңгейлері (кернеуге төзімділік, импульстік кернеудің рейтингі және т.б.).

5.Қоршаған ортаның төзімділігі: Температура диапазоны, биіктік, ылғалдылық, ластану деңгейі.

6.Жүктеме: VA жүктемесі қайталама дәлдікті төмендетпей жүруі керек.

С: Шайыр құйылған электрлік ток трансформаторлары қандай орталарда немесе қолданбаларда әсіресе қолайлы?

A: шайырлы құйылған электрлік ток трансформаторы үшін келесі орта немесе қолданба қолайлы:

1. Кеңістік шектеулі және оқшаулау маңызды болып табылатын ішкі тарату құрылғылары.

2. Ашық бөліктер немесе май ыдырауы мүмкін қатал немесе ластанған орталарда (шаң, ылғал, химиялық заттар).

3. Ұзақ уақыт бойы тұрақты, дәл өлшеуді қажет ететін өлшеу және қорғау тізбектерінде.

4. Төмен техникалық қызмет көрсету және жоғары сенімділік маңызды болып табылатын қолданбалар.

Hot Tags: Шайырлы құйылған ток трансформаторын жеткізуші, электрлік КТ трансформаторын өндіруші, тапсырыс бойынша КТ трансформаторын көтерме сату
Сұрау жіберу
Байланыс ақпараты
  • Мекенжай

    № 391, Цзинци жолы, Янпан өнеркәсіптік аймағы, Юэцин қаласы, Чжэцзян провинциясы, Қытай

  • Электрондық пошта

    info@xifaele.com

Баға ұсыныстарын тез арада алу үшін

XiFa - сіздің сенімді электр жабдықтарын жеткізушіңіз
X
Біз cookie файлдарын сізге жақсырақ шолу тәжірибесін ұсыну, сайт трафигін талдау және мазмұнды жекелендіру үшін пайдаланамыз. Осы сайтты пайдалану арқылы сіз cookie файлдарын пайдалануымызға келісесіз. Құпиялылық саясаты
Қабылдамау Қабылдау